• Опис
  • Характеристики
  • Наявність у магазинах
  • Відгуки0
0%
Змішувач для біде Grohe Start Flow 23770000 з донним клапаном
Grohe
Артикул: CV036277
Поки немає відгуків
Артикул
CV036277
Бренд
Опис
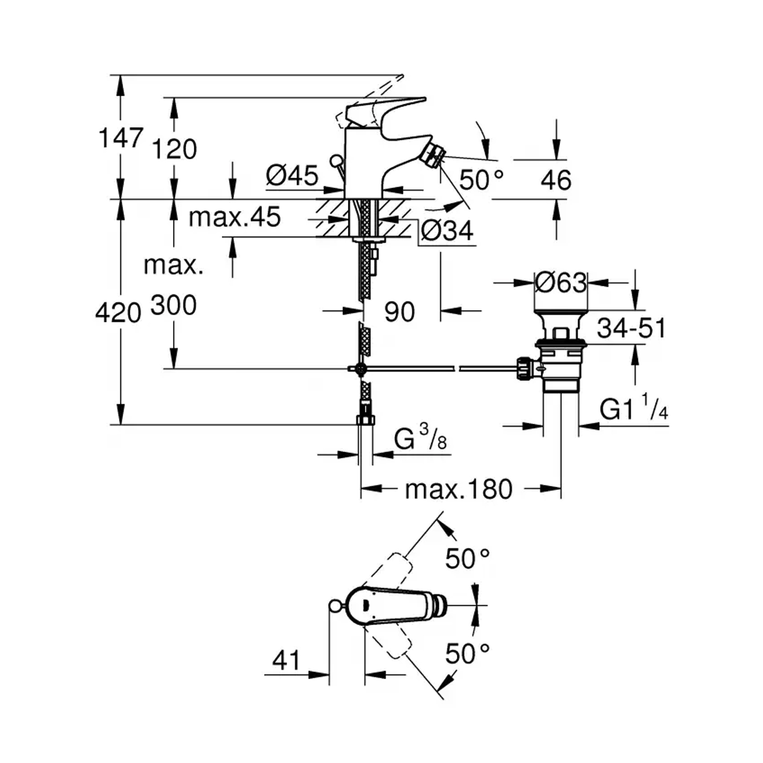
Змішувач для біде Grohe Start Flow 23770000 з донним клапаном — це поєднання сучасного дизайну та перевірених технологій GROHE. Завдяки монтажу на одне отвір та системі швидкого встановлення, установка займає мінімум часу. Металевий важіль забезпечує зручне управління, а керамічний картридж GROHE Long-Life діаметром 28 мм гарантує довговічність і точне регулювання температури води. Поверхня зі спеціальним покриттям довго зберігає блиск і стійка до подряпин.

Аератор з технологією GROHE Water Saving обмежує витрату води до 5,7 л/хв без шкоди для комфорту. Поворотний шарнір забезпечує оптимальне направлення струменя, а комплект донного клапана 1 1/4" входить у комплект. Гнучкі з’єднувальні шланги полегшують підключення до водопроводу.
Характеристики
Основні
Артикул
CV036277
Бренд
Інші параметри
Гарантія
60 місяців
Країна виробник
Португалія
Країна реєстрації бренду
Німеччина
Серія
Start Flow
Тип виробу
Змішувач
Комплектація
Змішувач, донний клапан, гнучке підведення, кріплення, інструкція.
Матеріал
Латунь
Призначення
Для біде
Вага брутто, кг
1,246
Висота, мм
120
Ширина, мм
45
Кількість вантажних місць
1
Модель
23770000
Додаткові характеристики
Металевий важіль. Система швидкого монтажу. Зливний гарнітур 1 1/4".
Механізм змішування
Картридж
Тип виливу
Литий
Тип керування
Одноважільний
Отвір під змішувач
1
Висота виливу, мм
46
Діаметр картриджа, мм
28
Діаметр монтажного отвору, мм
34
Тип кріплення
Шпилька
Шланги
Завальцьовані
Шланги підключення
Входять до комплекту
Довжина виливу, мм
90
Діаметр підключення шлангів
3/8"
Спосіб монтажу
Врізний
Тип підводу
Гнучкий
Наявність у магазинах
Змішувач для біде Grohe Start Flow 23770000 з донним клапаном
3 780 грн. /шт
В наявності мало
- +
шт
Нова Пошта
Готівковий та безготівковий розрахунок, банківські картки
Быстрый заказ
Відгуки
Хочете залишити відгук?Поставте свою оцінку!
Зробіть вибір!